АСУ ТП тепличного комплекса
Завершены работы по вводу системы АСУ ТП и SCADA для энергетического узла тепличного комплекса.
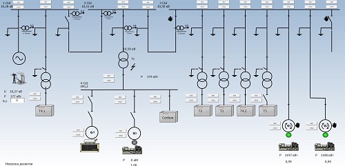
В систему АСУ входят:
-Распределительные устройства 10 кВ
-Распределительные трансформаторные подстанции 10/0,4
-Система управление климатом
-Рабочее место оператора
Все системы собраны из компонентов Phoenix Contact, имеют решения по резервированию данных.
